P
当前位置:首页 > 产品展示
|
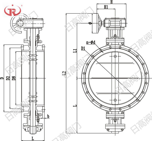
MD341S手动耐磨尘蝶阀 |
产品简介
耐磨尘气蝶阀是引进国外先进技术开发,它由执行机构和蝶阀两部分组成,以执行机构为主体,接受电气动元件控制输出的电气源信号压力为动力,通过控制元件改变气流方向,控制阀门启闭。具有结构简单,蝶板耐磨,密封寿命长,安装操作简单等特点,因此可适用于多种粉体/颗粒物料的应用场合。
上一篇: 电液动耐磨尘气蝶阀
下一篇: MD641S气动耐磨尘气蝶阀

